在消防领域,湿式系统、干式系统、雨淋系统以及预作用系统这四大灭火系统常常让人混淆。
一、湿式系统详解
湿式系统简介
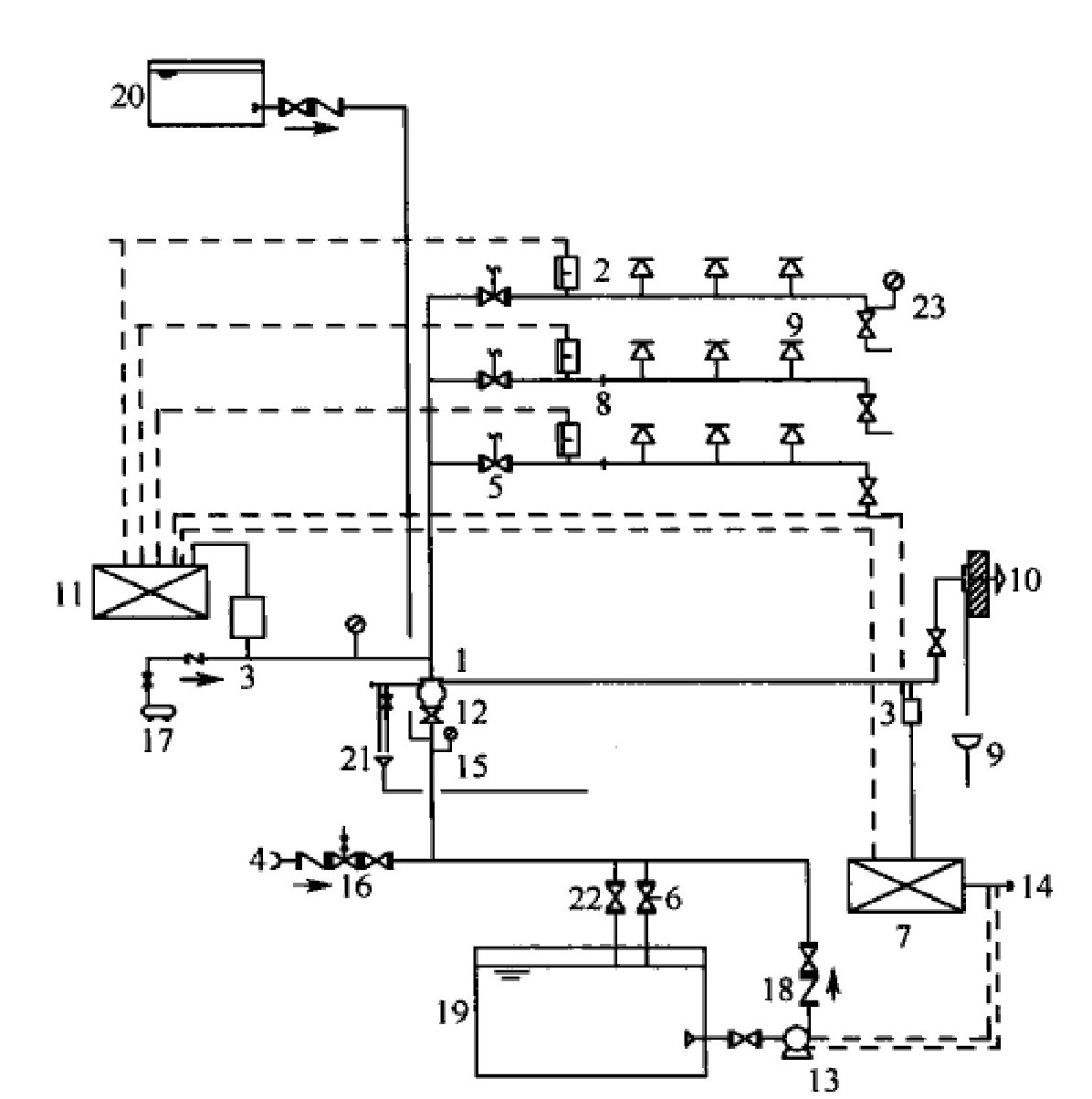
首先,我们来深入了解湿式系统。湿式系统,即闭式自动喷水灭火系统,是一种广泛应用于消防领域的自动灭火技术。其核心部件包括喷头、管道、湿式报警阀以及供水设施。当火灾发生时,系统能够迅速启动,通过喷头喷水来控制火势,有效保护人员和财产安全。
系统特点和适用环境
该系统以简捷迅速而著称,适用于4℃至70℃的环境。系统的组成包括闭式喷头、精细布置的管道系统、灵敏的湿式报警阀以及可靠的供水设备,共同构成了湿式系统这一高效的自动灭火体系。
工作原理
湿式系统在平时处于准工作状态,其管道内的充水压力由消防水箱或稳压泵、气压给水设备等稳压设施维持。一旦发生火灾,闭式喷头的热敏元件在火灾温度的作用下启动,喷头随之开启并开始喷水。这时,管道中的水由静止状态变为流动状态,水流指示器感应到这一变化并送出电信号,火灾报警控制器则显示相应区域的喷水信息。随着持续的喷水泄压,湿式报警阀上部的水压逐渐低于下部,形成压力差。在压力差的作用下,原本关闭的湿式报警阀自动开启,压力水流向官网,同时触发通向水力警铃的通道。当延迟器充满水后,水力警铃发出声响警报,高位消防水箱流量开关或系统官网的压力开关动作并输出信号,直接启动供水泵。供水泵开始工作后,整个系统启动过程完成。

二、干式系统组成和特点
干式系统以闭式喷头、管网、干式报警阀等为主,具备高灭火效率且适合特殊环境。它的组成部分包括包含闭式喷头、管网、干式报警阀、充气设备、报警装置以及供水设备等关键组件。干式系统采用了各种精密设备,确保在特定环境条件下发挥灭火作用。
适用范围
适用于低温或高温环境,如地下停车场和冷库。该系统特别适用于环境温度低于4℃或高于70℃的场所。
工作原理
干式系统在平常状态下,通过消防水箱、稳压泵或气压给水设备等设施,维持干式报警阀前的管道内充水压力。而报警阀后的管道则充满压缩空气,保持封闭状态。一旦发生火灾,闭式喷头的热敏元件会因高温而启动,喷头随之开启,导致干式阀出口压力下降。随后,加速器会促使干式报警阀迅速开启,开始排气充水的过程。此时,压缩空气从系统蕞高处的排气阀和已开启的喷头处排出。
一旦管道开始排气充水,通向水力警铃和压力开关的通道就会被打开。水力警铃会发出警报声,同时,高位消防水箱的流量开关或管网压力开关会动作,发出启泵信号,启动供水泵。当管道完成排气充水后,喷头开始喷水。

三、雨淋系统说明
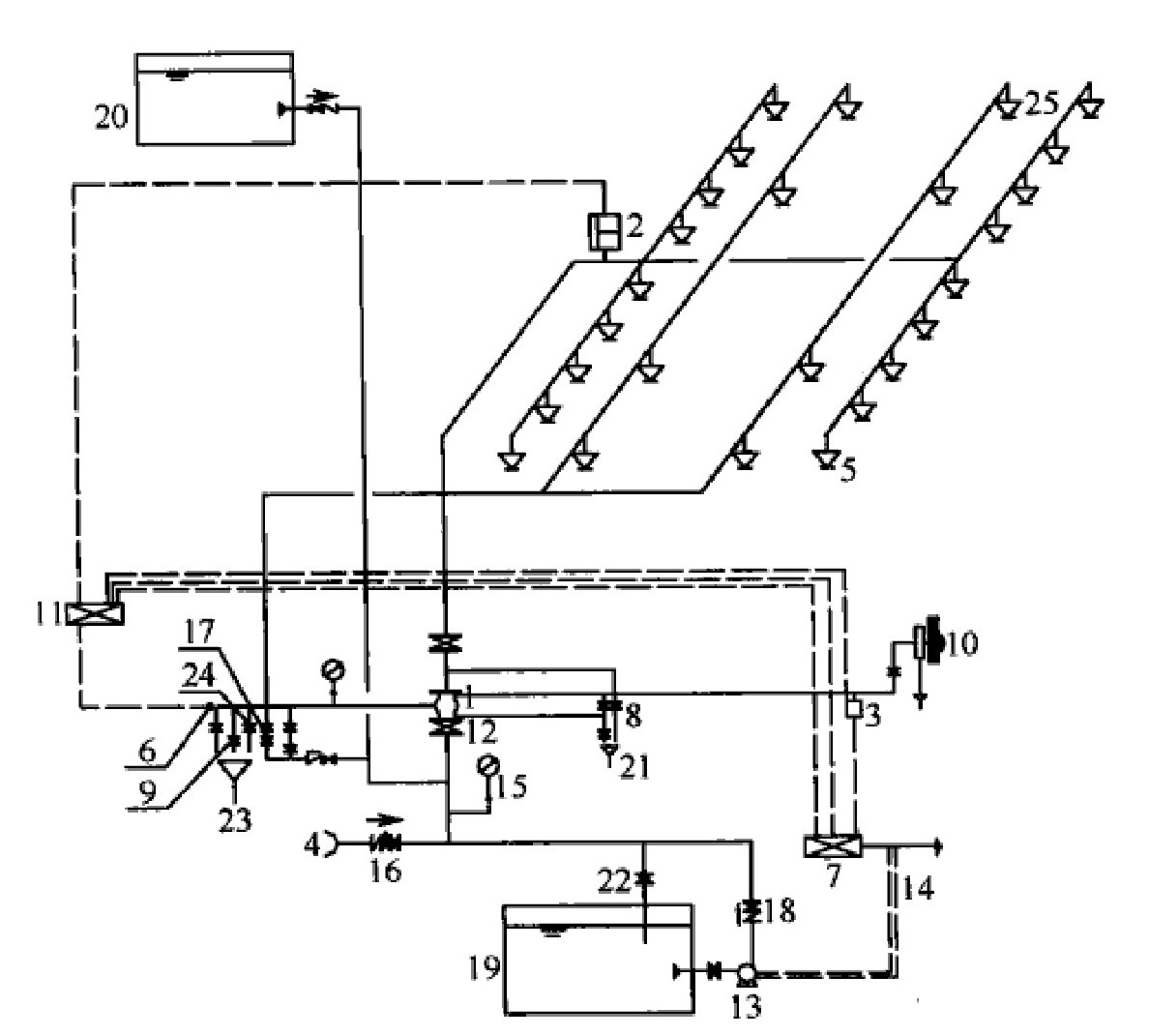
开放系统特征
开放式自动喷水灭火系统具有响应迅速、灭火控制区域广泛、用水量充足,以及灵活多变的应用形式。开放式系统响应迅速,适合高风险场所。
适用场所与原理
特别适用于那些需要大范围喷水、并能迅速扑灭火灾的极高危险建筑物或场所,例如剧院的舞台上方、大型演播室,以及电影摄影棚等。在火灾发生时,系统的火灾探测传动控制系统会迅速做出反应,启动传动控制系统。随后,自动控制成组作用阀门系统会动作,释放压力,开启喷头,进行灭火。同时,带开式喷头的自动喷水灭火装置会向火源喷洒大量水雾,以实现快速有效的灭火。

四、预作用系统介绍
系统构成
预作用系统的构成包括闭式喷头、管网系统、预作用阀组充气设备、供水设备以及火灾探测报警系统。包含闭式喷头、管网等,与火灾探测报警系统协同。这些组成部分共同保证了系统的高效运作。
优点和适用性
以高效控火见长,适用于更多复杂场所。与其它系统相比,预作用系统在设计上具备更多的优势,可以应用于更多复杂的环境。
工作原理
在系统保持准工作状态时,稳压设施如消防水箱、稳压泵或气压给水设备会持续为雨淋阀前的管道提供充水压力,同时,雨淋阀后的管道内保持无水或充以压缩空气的状态。一旦发生火灾,火灾自动报警系统会触发预作用报警阀的电磁阀,此时配水管道开始排出气体并注入水,从而将系统从闭式状态转换为湿式系统。在此过程中,系统管网上的压力开关或高位消防水箱的流量开关会直接启动消防水泵,确保在闭式喷头开启后能立即喷水灭火。

国泰灭火器